水的密度是多少kgm3(智能压力变送器在液位的应用二)

水的密度是多少kgm3(智能压力变送器在液位的应用二)

曲和畅 2025-10-01 文化 1 次浏览 0个评论

测量液位的智能仪表有很多种:雷达液位计、电容液位计、浮筒液位计、超声波液位计、(单)双法兰液位计等等,但是我们这边文章只讲单(双)法兰差压液位计。

其实双法兰智能压力变送器不但测量液位还能测量流量,都是利用差压原理进行计算的,计算公式和变送器内部的计算不一样,智能压力变送器测流量我们后期在流量计章节在细讲,现在就讲解智能压力变送器在液位测量方面的应用。

原理

静压式液位的测量方法是通过测得液柱高度产生的静压实现液位测量的。

智能压力变送器在液位的应用(二)

智能压力变送器在液位的应用(二)

2、测量液位的方式

测量液位通常分为三种:单法兰智能压力变送器、导压管智能压力变送器(包括吹气式)、双法兰智能压力变送器

智能压力变送器在液位的应用(二)

智能压力变送器在液位的应用(二)

智能压力变送器在液位的应用(二)

智能压力变送器在液位的应用(二)

这三种有什么区别呢?

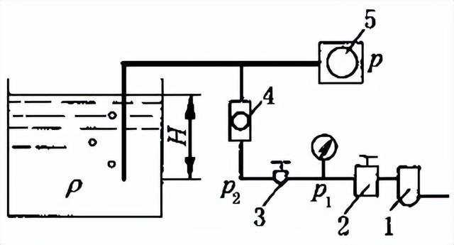
①单法兰智能压力变送器:我们正常使用来测量工艺的压力,怎么来测量工艺储罐的液位呢?

它测量液位的前提条件时储罐开口或者通过呼吸阀与大气相通,这样目的是保证单法兰智能压力变送器的负压侧与储罐是连通的,这就保证了两者的基准点是一致的。

将单法兰智能压力变送器按照图示安装到储罐上,设置量程范围就可以了。

量程计算:

根据ΔP=ρgH公式进行计算。

如介质密度ρ=1000kg/m3,g=9.8m/s2,H=10m,由此可得量程为ΔP=98kpa,量程范围便是0-98kpa。

智能压力变送器在液位的应用(二)

②导压管智能压力变送器:一般用于高温介质的液位测量如汽包的液位测量

量程计算:液位的实际有效高度就是上下取压口之间的距离L。

智能压力变送器在液位的应用(二)

如介质密度ρ=1000kg/m3,g=9.8m/s2,L=5m,由此可得量程为ΔP=49kpa,

除了计算量程还需要计算迁移量:

迁移量的计算也是使用ΔP=ρgH这个公式,不过这里应修改为ΔP=ρ0gL。L0处的压力正压室与负压室是相互抵消的不需要考虑。设ρ0=1000kg/m3

ΔP=P+ —P-=ρ0gL=-49kpa

仪表的测量范围便是-49kpa到0kpa。

为什么此处不使用双法兰智能压力变送器呢?

第一从工艺介质上考虑,汽包里面一般是高温介质如蒸汽或其他介质,温度一般在120-300℃

第二从仪表性能上考虑,智能压力变送器的填充液分为两种:第一种普通型硅油过程温度-30℃到210℃,要求环境温度–30 ~ 60℃,第二种高温型硅油过程温度10℃到315℃,要求环境温度10 ~ 60℃。双法兰智能压力变送器即使符合使用过程温度,还需要环境温度适合。

而导压管智能压力变送器隔离罐中填充隔离液完全可以抵抗过程温度的传递,也可以使用环境的温度。

③双法兰智能压力变送器:不但可以测量液位还可以测量工艺系统某设备的差压值还可以测量介质的流量值,我们只针对液位测量进行讲解。

安装:双法兰智能压力变送器安装时低压侧(LOW)在储罐上测,高压侧(HIGH)安装在储罐下测(如图)。

在常用的物位仪表中需要通过计算来确定仪表的量程或零点包括差压液位计、浮筒液位计。特别是浮筒液位计每次大修基本对其零点通过水校法或挂重法进行校准。下面首先介绍一下差压液位计的计算方法。

使用差压液位计进行计算需要了解几个概念:迁移量、量程、量程上限、量程下限、量程范围。

迁移量:P=P+ -P-=ρ填充液gH 迁移量便是差压液位计的零点,迁移量根据正负压室的差值分为正迁移、负迁移。

正迁移:正压室受压P+大于负压室受压P-

负迁移:正压室受压P+小于负压室受压P-

量程:ΔP=ρ介质gH

量程下限:便是计算的迁移量的值P(带±)

量程上限:ΔP+P

量程范围:P到ΔP+P

H为上下法兰或取压点的距离,也可以是工艺指定的高度值。但是计算仪表迁移量时H为上下法兰的距离。其实在现场的实际应用中,如果工艺条件允许将上下法兰松动对空,仪表当前指示的压力值便是迁移量,

根据工艺提供的相关的参数计算出量程后,在参数中下限输入0kpa,上限输入量程值后进行迁移,仪表便会自动计算出量程范围。

智能压力变送器在液位的应用(二)

【实例计算】如右图所示,用差压变送器测量闭口容器液位。已知h1=50cm,

h2=200cm,h3=140cm,被测介质的密度ρ1=0.85g/cm3,液

位计负压侧隔离液为水,请计算液位计的迁移量、量程、量程范围。

迁移量:P=P+ -P-

=ρ1gh3-ρ水g(h1+h2+h3)

=-26.577kpa

此液位计为负迁移。

量程:ΔP=ρ介gH

=ρ1gh2

=16.672kpa

量程范围:P到ΔP+P

-26.577kpa到-9.90kpa

智能压力变送器在液位的应用(二)

【练习题】观察右侧安装图用差压液位计测量闭口容器的介质物位,已知h1=20cm,h2=20cm,h3=200cm,被测轻介质ρ1=0.85g/cm3,被测重介质ρ2=1.1g/cm3.差压液位计毛细管内硅油密度ρ0=0.95g/cm3。请计算差压物位计的量程和迁移量。

量程:ΔP=P重-P轻=(ρ1-ρ2)*g*h3=5.88kpa

迁移量:P=P+ -P-=-2.795kpa

P+<P-,此表为负迁移。

智能压力变送器在液位的应用(二)

【如有不正之处请指正,如有侵权请告知】

转载请注明来自极限财经,本文标题:《水的密度是多少kgm3(智能压力变送器在液位的应用二)》

每一天,每一秒,你所做的决定都会改变你的人生!

发表评论

快捷回复:

评论列表 (暂无评论,1人围观)参与讨论

还没有评论,来说两句吧...